+7 (844) 290 91 70
Производство и поставка железобетонных изделий по Камышину и Волгоградской области
Камышин, Петровская улица, 41
Часы работы: ежедневно с 8:00 до 21:00
+7 (844) 290 91 70 Заказать звонок
Каталог
Перейти в каталог
+7 (844) 290 91 70 Заказать звонок
Каталог 0 Избранное 0 Сравнение
Корзина
В корзине: 0 товаров Итого: 0 руб Перейти в корзину Перейти к оформлению
О компании Производства Услуги Доставка и оплата Вопросы-ответы Отзывы Наши объекты Контакты

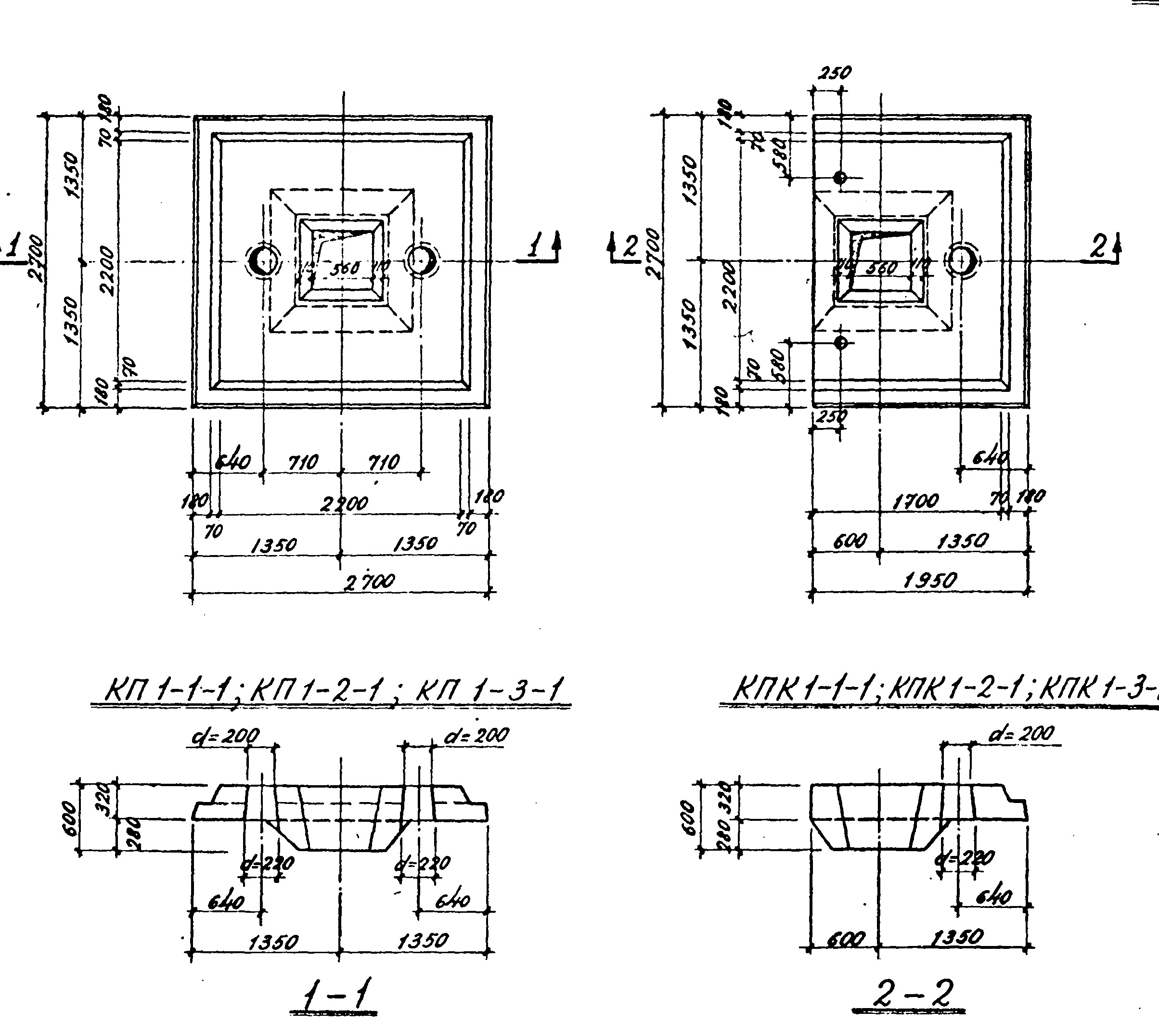
Колонна железобетонная КПК 1-5-1

Описание
Характеристики
Доставка и оплата
Сертификаты
Отзывы 5,0
Описание

Колонна железобетонная КПК 1-5-1 представляет собой прочное и надежное железобетонное изделие, предназначенное для использования в строительстве. Она имеет стандартные размеры и специальное усиление, что обеспечивает ей высокую прочность и долговечность.

Колонна железобетонная КПК 1-5-1 широко используется в строительстве зданий и сооружений различного назначения. Она может быть использована для возведения многоэтажных зданий, мостов, туннелей, а также других инженерных сооружений. Благодаря своей прочности и устойчивости к внешним воздействиям, данная колонна является незаменимым элементом при строительстве надежных и долговечных конструкций.

Характеристики
Категория:
Колонны железобетонные
Длина, мм:
2090
Ширина, мм:
2980
Высота, мм:
600
Масса, т:
4.18
Объем, м3:
1.670
ГОСТ:
Серия 1.420.1-14
Единица измерения:
шт.

Бесплатная консультация

Перезвоните мне

перезвоним в течение 5 минут

Доставка и оплата
Способ доставки MAX длина груза, м Стоимость доставки по Камышину
Машина до 3,5 тн до 30 м3 6 от 2 100 руб
Машина до 5 тн до 30 м3     6 от 2 500 руб
Машина до 10 тн до 50 м3   8 от 4 200 руб
Машина до 20 тн до 80 м3   8 от 8 600 руб
Манипулятор до 5 тн 5 от 3 700 руб
Манипулятор до 10 тн 10 от 4 600 руб
Манипулятор до 15 тн 14 от 6 900 руб
Заказать с доставкой

Во вторник, четверг и субботу доставка манипулятором 15 тн 6 800 рублей в районе 30 км от КАД

Доставка и монтаж

Привезем манипулятором, шаландой, самосвалом или тонарами. А если на объекте труднодоступная местность, то вездеходами!

На вашем объекте нет крана для перемещения габаритных изделий? Предоставим кран в аренду.

Поджимают сроки, а ваши рабочие слишком заняты строительством? Поможем с выгрузкой и монтажом.

В нашем распоряжении более 300 единиц техники.
Это позволяет своевременно осуществлять доставку и выполнять монтаж любой сложности.

Чтобы получить бесплатную консультацию
и узнать о выгодных акциях, просто позвоните нам
или оставьте свой номер, и мы перезвоним сами!

  • Шаланды

  • Самосвалы

  • Гусеничные экскаваторы

  • Манипуляторы

  • Краны

  • Бортовые машины

manipulator
crane

Специалисты компании «ЖБИ-Маркет» выполняют укладку плит в следующей последовательности:

  • Заявка с сайта или по телефону

  • Консультация с менеджером

  • Согласование сроков и стоимости

  • Поставка (услуга)

  • Оплата

Сертификаты
Отзывы
Посмотреть все отзывы
Игорь
17 января 2022
Сотрудничество с данной компанией оставило только положительные впечатления. Дорожные плиты отличного качества, доставка всегда вовремя. Особую благодарность хочу выразить менеджеру Анатолию за профессионализм и оперативность. Рекомендую!
Семен
16 ноября 2022
Все четко
СК ОСНОВА
21 апреля 2024
Надежный поставщик, сотрудничаем уже более трех лет. Были также на экскурсии на самом заводе. Отдельное спасибо менеджеру Латкиной Виктории!!
Алексей
10 марта 2024
Закупал в ЖБИ-Маркет плиты перекрытия под строительство дома. Рассчитали с учетом скидки от объема, цена получилась самая низкая среди всех заводов куда обращался, срок изготовления неделя. Предоставили всю документацию. Приятно было сотрудничать!
Мурад
03 июня 2024
Хорошая компания. Все пришло в назначенные сроки
Дмитрий
28 января 2022
Дорожные плиты качественные, последние два года заказываем только тут. Отгрузки всегда вовремя, никаких задержек. Удобно работать
Владимир
09 февраля 2022
Дорожные плиты отличного качества, выдерживают большие нагрузки. Поставка всегда своевременная, никаких задержек. Работаем с удовольствием!
Антон
09 февраля 2022
Доставка всегда вовремя, сервис на высоте. Рекомендую за надежность и профессионализм!
Олег
13 сентября 2023
Сегодня принял большую поставку плит пдн с этой компании. Сработались без проблем, плиты хорошие
Анатолий
25 января 2024
Заказывали дорожные плиты под парковку. Доставка прошла аккуратно, сотрудники помогли с разгрузкой и размещением на участке. Рекомендую
Григорий
08 мая 2024
Компания проявила высокий профессионализм и оперативность при организации поставки большой партии железобетонных изделий. Рекомендую для успешного выполнения проектов!
Марк
04 июля 2024
Брал дорожные плиты ТУ, цена порадовала, в целом все нормально, хоть и немного затянули по срокам..
Стас
05 марта 2022
Доставка была организована точно в срок, без каких-либо проблем. Особенно приятно было работать с профессиональными и вежливыми менеджерами. Ну и качество изделий соответствует заявленному
Андрей
21 мая 2022
Регулярно закупаю здесь дорожные плиты под стройку. Много производств, откуда можно забрать самовывозом. Качество плит соответствует всем заявленным требованиям и стандартам
Егор
15 марта 2023
Недавно приобрели аэродромные плиты для нашего строительного проекта, и остались очень довольны. Плиты оказались очень прочными и устойчивыми к нагрузкам, а также хорошо справляются с морозами. Доставка была организована в срок, и команда помогла с разгрузкой и укладкой. Эти плиты отлично подходят для тяжелонагруженных поверхностей. Рекомендую эту компанию за высокое качество!
Макар
17 февраля 2024
Сотрудничаем уже год с этой компанией. Особенно хочу выделить менеджера Анатолия — он профессионал своего дела, всегда готов пойти на уступки и найти лучший компромисс.
Петр
01 апреля 2024
Цены оказались очень адекватными по сравнению с теми, которые мне предлагали в других компаниях. Можно заказать у нескольких производств сразу, только благодаря этому прошли по срокам. В сезон везде мне заявляли от 3х месяцев срок...
Тимофей
05 июля 2024
Отгрузить должны были вчера около 16:00, по итогу водитель отзвонился, что на погрузке форс мажор и привезли только утром. В целом не страшно, плиты хорошие за такую цену, как и ожидал
Корней
27 февраля 2023
Хочу отметить отличную работу менеджера Андрея, который быстро организовал доставку и весь процесс до нее. Цены оказались ниже, чем у других поставщиков
Евгений
12 марта 2024
Заказывал фбс небольшой объем. Доставка недешовая, но хоть завод был рядом. Качество нормальное
Даниил
12 апреля 2024
Отгрузили четко в срок, помогли с укладкой. Все устраивает, уже заказал тут вторую партию

Похожие товары

Колонна железобетонная КП 1-3-4
В наличии
Арт. KapKo-114262
- +
В корзину
Колонна железобетонная КП 2-6
В наличии
Арт. KapKo-114288
- +
В корзину
Колонна железобетонная КПК 2-1
В наличии
Арт. KapKo-114297
- +
В корзину
Колонна железобетонная КП 1-1
В наличии
Арт. KapKo-117928
- +
В корзину
Колонна железобетонная КП 1-1-2
В наличии
Арт. KapKo-117935
- +
В корзину
Колонна железобетонная КП 1-2-3
В наличии
Арт. KapKo-117942
- +
В корзину
Колонна железобетонная КП 1-4
В наличии
Арт. KapKo-117951
- +
В корзину
Колонна железобетонная КП 1-5
В наличии
Арт. KapKo-117958
- +
В корзину
Колонна железобетонная КП 1-6-2
В наличии
Арт. KapKo-117965
- +
В корзину
Колонна железобетонная КП 1-1-4
В наличии
Арт. KapKo-117972
- +
В корзину
Колонна железобетонная КП 1-4-4
В наличии
Арт. KapKo-117979
- +
В корзину
Колонна железобетонная КП 2-3
В наличии
Арт. KapKo-117986
- +
В корзину
Колонна железобетонная КПК 1-1
В наличии
Арт. KapKo-117993
- +
В корзину
Колонна железобетонная КПК 1-5
В наличии
Арт. KapKo-118000
- +
В корзину
Колонна железобетонная КПК 1-5-1
В наличии
Арт. KapKo-118007
- +
В корзину
Колонна железобетонная КПК 2-2
В наличии
Арт. KapKo-118014
- +
В корзину
Колонна железобетонная КП 1-6
В наличии
Арт. KapKo-127637
- +
В корзину
Колонна железобетонная КП 1-5-4
В наличии
Арт. KapKo-127649
- +
В корзину
Колонна железобетонная КП 1-6-4
В наличии
Арт. KapKo-127684
- +
В корзину
Колонна железобетонная КП 2-4
В наличии
Арт. KapKo-127690
- +
В корзину
Колонна железобетонная КПК 1-2-1
В наличии
Арт. KapKo-127697
- +
В корзину
Колонна железобетонная КПК 2-4
В наличии
Арт. KapKo-127707
- +
В корзину
КП 1-5-3
В наличии
Арт.
- +
В корзину
КП 1-6-3
В наличии
Арт.
- +
В корзину
Собственное производство

Производство дорожных плит

Производство аэродромных плит

Производство фундаментных блоков

Производство железобетонных плит перекрытия

Производство свай железобетонных

Производство лестничных маршей

Производство железобетонных колец и колодцев

Производство бетонных заборов

Производство перемычек железобетонных

Производство ЖБИ Софийская

Производство ЖБИ Рыбацкое

Производство ЖБИ Обухово

Производство Центр ЖБИ

Производство ЖБИ ПромСтрой

Производство железобетонных изделий

Вы недавно смотрели

Колонна железобетонная КП 1-5
В наличии
Арт. KapKo-117958
- +
В корзину

Ответы на популярные вопросы

Есть ли возможность оплаты после получения материала?

Да. Самый распространенный способ оплаты у нас - оплата по факту получения товара. При этом, если доставленный товар был ненадлежащего качества, то Вы в праве от него отказаться.

Можно ли приехать к Вам на завод?

Да конечно, мы всегда рады видеть Вас на нашей площадке. Всё покажем, расскажем, пройдем любые проверки на качество материала. Обязательна предварительная запись по номеру телефону указанному на сайте!

Какую документацию Вы предоставляете?

С каждой товарной позицией мы предоставляем все сертификаты и паспорта качества, а также товарно-транспортную накладную.

Как рассчитывается доставка?

После оформления заявки с Вами свяжется персональный менеджер для уточнения деталей заказа. Далее он передает заявку нашему логисту для оценки стоимости и сроков доставки, которые впоследствии и оглашаются заказчику.

В какое время можно приехать к Вам в офис?

Приехать в офис можно с 08.00 до 20.00. Необходима предварительная запись у менеджера для получения пропусĸа в Бизнес-центр.

Работаете ли Вы с НДС?

Да, мы работаем с НДС 20% — то есть на общей системе налогообложения.

Способы оплаты

Банковская карта
Оплата банковской картой, через Интернет, возможна через системы электронных платежей.

Минимальная сумма платежа — 1 рубль.
Максимальная сумма платежа отсутствует.

Номер карты (PAN) должен иметь не менее 15 и не более 19 символов

Мы принимаем платежи с сайта по следующим банковским картам
Платежная система МИР Платежная система Виза Платежная система Виза Электрон Платёжная система Маэстро Платежная система Мастер Кард
Наличный расчёт

Вы можете оплатить наличными по факту приема материала после проверки качества и количества заказанного материала.

Безналичный расчёт

Менеджер отправит Вам счет, Вы проверяете номенклатуру товара, количество. После оплаты осуществляется доставка либо Вы забираете товар со склада самовывоза.

Преимущества компании

Комплексные поставки материалов
Для строительства дома под ключ
Высокое качество продукции
Подтвержденное сертификатами и действующими ГОСТ
Доставка
В любую точку Камышина и Ленинградской области
Круглосуточная поставка
Без праздников и выходных
Лучшая цена
Мы гарантируем самую низкую цену на , так как являемся одним из самых крупных поставщиков
Доставка по звонку
После уточнения наличия вы можете получить уже через 2 часа у Вас на объекте!
Бесплатная консультация менеджера
Позвоните нам и наш менеджер подберет наиболее оптимальный вариант под Ваши нужды
Огромный ассортимент
В наличии всегда имеются самые популярные позиции

Схема работы

Заявка
Вы оставили заявку на сайте
Подтверждение заказа
Менеджер связывается с вами для обработки и подтверждения заказа
Согласование сроков
Согласовываются сроки поставки
Доставка
Осуществление доставки на объект или адрес
Приём работы
Все довольны, все счастливы

С нами работают

Группа ЛСР
Росстройинвест
СетлСити
Эталон ЛенСпецСМУ
Компания Легенда
Компания ЦДС
Управляющая компания Теорема
Агентство недвижимости Арсенал
Компания Пионер
Компания Северный город